Pour corriger un problème de pertes de communication sur les onduleurs se présentant sous la forme :
Onduleurs différents en défaut de communication au fil des rafraichissement.
Onduleurs passant aléatoirement en défaut de communication
Il faut ouvrir la bibliothèque AI_SunFlower comme projet,
Puis exporter le bloc de Fonction Basiques, FB_100KTL_EcrLec
(Sélection du bloc > Fichier > Exporter > Exportation de fichier de CEI61131-3 étendue>Sélectionner le chemin > OK )
Revenir sur votre programme automate,
Importer le bloc FB_100KTL_EcrLec (il va automatiquement remplacer l’existant)
(Fichier > Importer… > Importation de fichier de CEI61131-3 étendue > OK > UOP > Choisir le bloc précédemment exporté.)
Le bloc passe de bleu à vert, et devient modifiable.
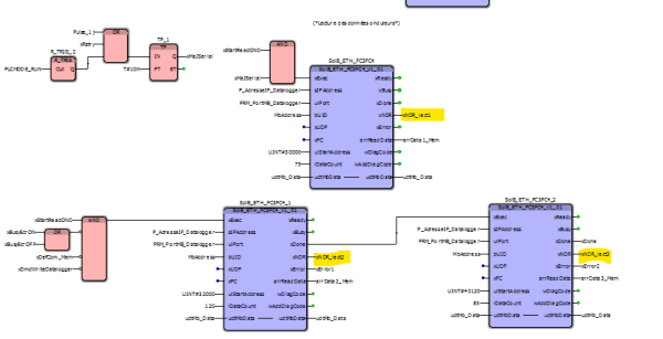
Entrer dans le bloc précédemment ajouté puis, ajouter les variables xNDR_lect1, 2 et 3, en sortie des blocs :
- SolB_ETH_FC3FC4
- SolB_ETH_FC3FC4_1
- SolB_ETH_FC3FC4_2
(variables en jaune) xNDR_lect1, xNDR_lect2, xNDR_lect3.

Dans la partie Gestion du défaut de communication, à droite du bloc :
Entre le bloc OR des xError et le MOVE, ajout d’un R_TRIG (détection de front montant)
Cette modification permet d’éviter que la même erreur soit détectée sur plusieurs cycles.
(Pour ajouter le bloc : Affichage > Assistant d’édition > Dans le menu déroulant : <tous les FO et BF> > Chercher R_Trig > Faire un double clic sur R_Trig > OK )

En entrée du bloc Move ajouter un bloc OR, à 4 entrées, et ajouté les variables xNDR_Lect1, 2, 3 précédemment créées.

Dans l’init, augmenter le temps de la variable :
PRM_DefCom_DL:=T#xm ; (si T#xm = T#5m, la passé a T#10m)
Télécharger le programme sur l’automate. Pas besoin d'arrêter l'automate.
Vérifier si la communication s’est stabilisée.